0
Обране
0
Порівняти
Каталог товарів
0
0

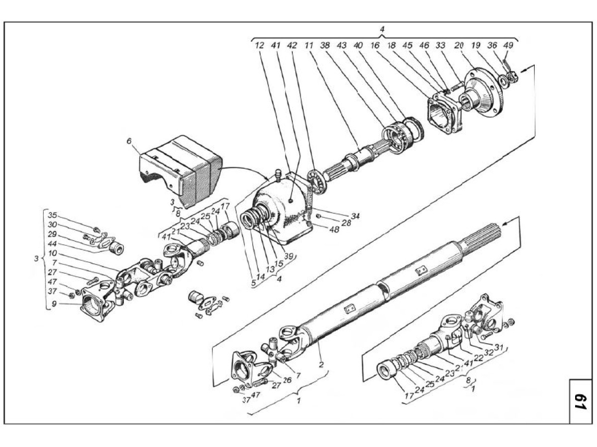
Вал відбору потужності із приводом на трактор Т-150К 151.41.001-2

Вал відбору потужності із приводом на трактор Т-150К 151.41.001-2

Поз.АртикулК-стьНайменування
-151.41.001-2хВал відбору потужності з приводом
1151.41.019-11Вал карданний
2151.41.020-11Труба
3151.41.021-11Шарнір подвійнийПерейти до товару
4151.41.0231Опора проміжнаПерейти до товару
5125.72.0191Сапун
6150.41.020-22Кожух огородження
7150.41.0454Хрестовина кардана
8150.41.0602Вилка ковзна
9151.41.124-11Вилка
10151.41.125-11Вилка подвійного шарніра
11151.41.1261Вал опори
12151.41.127В1Корпус опори
13125.41.1411Сальник
14125.41.1421Корпус сальника
15125.41.2041Шайба сальника
16150.41.135-11Прокладка
17150.41.1522Обойма сальника
18150.41.216-1В1Корпус ущільнення
19150.41.2541Шайба упорна
20150.41.275-11Муфта фланця
21150.41.277-22Вилка ковзна
22150.41.2782Заглушка
23150.41.2792Кільце ущільнювальне
24150.41.2804Шайба сальника
25150.41.2812Кільце ущільнювальне
26150.41.287-12Вилка
27150.41.29312Болт
28150.41.2996Ковпачок прес-маслянки
29А62.02.006-0116Пластина опорна
30А62.02.007-0116Пластина стопорна
31А62.03.0014Хрестовина
32А62.03.1004Маслянка
33М10х35.77964Болт
34М12х35.77964Болт
35М8х1х16.779632Болт
36М20х1,5.59331Гайка
37М14х1,5.591512Гайка
382В90.139411Кільце
391.2-38х58-1.87521Манжета
401.2-55х80-1.87521Манжета
4165572603Маслянка
42208.83381Підшипник
43308.83381Підшипник
44804805К2С1016Підшипник спеціальний
4534593134Шайба
4610 65Г.64024Шайба
4714 65Г.640212Шайба
4812Т 65Г.64024Шайба
494х32.3971Шплінт

151.41.001-2, 151.41.019-1, 151.41.020-1, 151.41.021-1, 151.41.023, 125.72.019, 150.41.020-2, 150.41.045, 150.41.060, 151.41.124-1, 151.41.125-1, 151.41.126, 151.41.127В, 125.41.141, 125.41.142, 125.41.204, 150.41.135-1, 150.41.152, 150.41.216-1В, 150.41.254, 150.41.275-1, 150.41.277-2, 150.41.278, 150.41.279, 150.41.280, 150.41.281, 150.41.287-1, 150.41.293, 150.41.299, А62.02.006-01, А62.02.007-01, А62.03.001, А62.03.100, М10х35.7796, М12х35.7796, М8х1х16.7796, М20х1, 5.5933, М14х1, 5.5915, 2В90.13941, 1.2-38х58-1.8752, 1.2-55х80-1.8752, 655726, 208.8338, 308.8338, 804805К2С10, 345931, 10 65Г.6402, 14 65Г.6402, 12Т 65Г.6402, 4х32.397

2026-03-18 14:33:57
0
37
Коментарі
Схожі статті
Вал відбору потужності із приводом на трактор Т-150К 151.41.001-2
Вал відбору потужності із приводом на трактор Т-150К 151.41.001-2
19 березня
Каталог трактора ХТЗ Т-150К, Додаткове обладнання
Вал відбору потужності із приводом на трактор Т-150К 151.41.001-2
Вал відбору потужності із приводом на трактор Т-150К 151.41.001-2
19 березня
Каталог трактора ХТЗ Т-150К, Додаткове обладнання